四虎成人精品在永久免费_亚洲男同gay网站_成人看片app_日韩有码电影

新聞中心
當前位置:首頁 - 新聞中心 - 回轉支承有哪些結構形式呢?

回轉支承有哪些結構形式呢?

時間:2019-05-08 10:04:00 來源:宜陽龍馬軸承有限公司

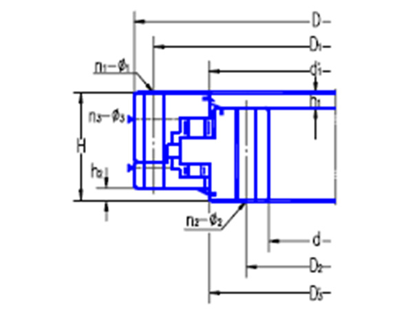
  回轉支承根據其結構形式不同主要可分為單排四點接觸球式回轉支承、單排交叉滾柱式回轉支承、雙排異徑球式回轉支承、三排滾柱式回轉支承、球柱聯合式回轉支承、雙列球式回轉支承,其結構圖如下,快來了解下吧!

  龍馬回轉支承結構圖:

15637959300

全國統一咨詢電話

在線咨詢

地址:河南省 洛陽市 宜陽軸承產業園區

固話:0379-65216522

銷售:anan@lmc.cn / ly8536@lmc.cn

供應:ly95999@lmc.cn

技術:ly2885@lmc.cn

Copyright ? 2021-2022 宜陽龍馬軸承有限公司   豫ICP備2021027329號-1   豫公網安備41032702000284號   網站XML   技術支持:尚賢科技

15637959300
客服電話
四虎成人精品在永久免费_亚洲男同gay网站_成人看片app_日韩有码电影
| | | | | | | | | | | | | | | | | | | | | | | | | | | | | | | | | | | | | | | | | | | | | | | | | | | | | | | | | | | | | | | | | | | | | | | | | | | | | | | | | | | | | | | | | | | | | | | | | | | | | | | | | | | | | | | | | | | | | | | | | | | | | | | | | | | | | | | | | | | | | | | | | | | | | | | | | | | | | | | | | | | | | | | | | | | | | | | | | | | | | | | | | | | | | | | | | | | | | | | |